The Dalojan KT88 Class A Push-Pull amplifier

Mooi voor oor en oog


Some wish full thinking
The new amplifier should deliver enough power to produce a realistic sound level while remaining enough headroom for the peaks. I normally listen to music on a neighbor friendly level but there are some exceptions. During these exceptions the same perfect quality should be expected. Due to the efficiency of my speakers I only need about 25 Watt of distortion free power to drive my speakers. I mostly play music at a reasonable level but sometimes the level is turned up to almost concert level. Even at this level I want a distortion free reproduction. Special for who is moor power hungry I made a more powerfull amp that uses 4 KT88 tubes each channel. I experienced that not only the distortion plays a rule in how an amplifier sounds, some other propperties are of the same importance. One of these properties is the frequency dependent phaseshift. Because of this it is very important to create a openloop bandwith that extends the audio range as much as possible. An other aspect is that time delay from input to output will smear the output signal if feedback is used, this becomes worse if the openloop bandwith restricted. So I prefer amplifiers without overall feedback and a wide openloop bandwith. The input capacitance of the output tube is one thing that can reduse bandwith is those tubes are not driven out of a low impedance voltage source. This can be obtained by using a cathode follower or using a mu stage to drive the output tubes. I did choose to use the mu stage because of the lower distortion that can be obtained with this stage compared to a normal gain stage combined with a cathode follower. The ECC99 is used in the phase inverter in a special configuration to deliver the gain needed to drive the output tubes. The linearity of the ECC99, KT88 tubes and the ultra lineair configuration with the finest output transformers combined with a special circuit guaranty very low distortion figures without feedback. I admit that a few transistors are also used but they are used because they outperform tubes in this configuration.

the circuit in more detail
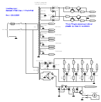
To make things easy I started at the outputstage going backwards to the input. The power I needed was about 25 Watt which is a problem if you are looking for a single ended amplifier. That is why this is a push pull amplifier. I think the KT88 tube is the best one if it comes to distortion at this power level. The negative grid bias we need is partly fixed and partly automatic by using the transistors as a common cathode circuit. This configuration compensates for minor differences in the output tubes and results in a lower distortion compared to fixed bias or a self biasing configuration. An improved symmetry is the result witch will cancel an important part of the distortions that otherwise will be generated due to asymmetry in the output stage. The output transformer used in this amplifier will also guaranty a wide openloop bandwith. So far so good, we have a very lineair output stage with a lot of bandwith. Now we only need a phase inverter with a low output impedance and some gain. Bandkerntrafo Because of the power tubes have to be driven in antiphase a phase inverter is needed. There exists a lot of good pheseinverters but they all have one or more drawbacks. The most common drawback is that the output voltage of both outputs are not equal and have to be corrected resulting in different output impedances. I think this results in a asymmetric behavour of the output stage. To my knowledge only one type of phaseinverter can be made symmetric, the long tailed pair. If this phase inverter is combined with a currentsource a perfect gain symmtry and equal output impedances will result. The resulting output impedance only depends on the anode load of the phase inverter. Voor deze Push-Pull geschakelde eindbuizen komt de fase draaier. De eindbuizen moeten immers in tegenfase worden aangestuurd. Er zijn vele goede fasedraaiers te maken maar velen hebben de eigenschap dat de uitgangen niet in alle opzichten gelijke eigenschappen hebben. Dit word dan als ondergeschikt beschouwd, maar een echte sysmetrie lijkt mij toch z'n voordelen hebben. Dus ook hier heb ik gekozen voor een 'long tailed pair' configuratie. In de conventionele opbouw met een kathode weerstand wordt spannings symetrie slechts verkregen door verschillende waardes te nemen voor de anode weerstanden. Oorzaak is dat de totaal stroom door beide buizen niet konstant is doordat een deel van de ingangs spanning over de gezamelijke cathode weerstand valt en deze stroom dus min of meer afhankelijk is van de ingangs spanning. Eigenlijk niet zo'n perfecte situatie. De oplossing zit in het konstand houden van de totaal stroom. Een oneindig hoge waarde voor de gemeenschappelijke cathode weerstand is theoretisch een goede oplossing met echter wat praktische nadelen. Andre oplosssing is een stroombron in plaats van de cathode weerstand. Dus of een penthode of weer wat 'zwartwerkers' in dienst nemen. De optie met een penthode heeft het nadeel dat hier aardig wat spanning over moet vallen wil het goed werken en dan kom je snel wat volten te kort in je voedingsspanning. Bij 'zwartwerkers' is dit niet het geval en daar komt nog het voordeel bij dat een veel hogere inwendige weerstand haalbaar is en zo het ideaal beter benaderd wordt. De symetrie is hiermee voor elkaar. Alleen de lage uitgangsimpedantie is hiermee nog geen feit, daar moet nog aan gewerkt worden. Het simpelste is natuurlijk on anode weerstanden te nemen met een lage weerstands waarde. Resultaat is dat de versterking dan ook laag is en we de fasedraaier fors moeten aansturen om voldoende uitgangsspanning te krijgen om de KT88's vol uit te kunnen sturen. Dit lijkt mij ook al niet een goed plan. We moeten het dus anders oplossen. Wat mij als eerste te binnen schoot was de zaak opbouwen als mu-stage. Een pracht plan. . . . . helaas moest ik dan per triode nog een extra buis gebruiken. Nog eens 4 triodes of penthodes. De bovenste buis in een mu-stage doet om het maar simpel te zeggen dienst als stroombronn voor de onderste buis en als cathode volger gezien vanuit de uitgang van de mu-stage. Een triode als stroombron is nou niet echt een groot feest dus dat gaat hem niet worden. Een penthode doet het al stukken beter, zeker naarmate de steilheid groter word. Maar ja dubbel penthodes liggen niet voor het oprapen en vier extra buisvoeten raak ik voor mijjn gevoel op het chassis niet meer kwijt. Hier moet toch ook een oplossing voor gevonden kunnen worden. Even een paar stappen terug en de gedachten op zijn beloop laten. Wat we nodig hebben is een stroombron met een hoge Ri voor de beste lineariteit van de schakeling. Tevens moet een lage uiitgangssweerstand aanwezig zijn. En mag het maar een minimum aan buisvoeten nodig hebben. Een buisvoet loze 'penthode' met enorme steilheid van enkele amperes per volt ruikt naar zwarte magie. En die geur is heel reeel terug te vinden in een power MOSFET. En een minimum aan buisvoeten maakt dat ding ook waar. De uitdaging dus maar aangenomen en het zo geprobeerd. Ik wil niet overdrijven maar voor mijn gevoel werkt het perfect, hoge versterking, goede lineariteit en lage uitgangs impedantie. En dat allemaal zonder buisvoet! Uiteindelijk is dat dus ook in de versterker terecht gekomen. Dan hebben we nu de hoofdlijnen van de versterker gehad. Hij bestaat dus uit een fase draaier en een push-pull eindtrap. Een niet genoemd voordeel is dat je de versterker in deze configuratie natuurlijk optimaal kan aaansturen uit een symetrische bron. Simpel een kwestie van de condensator van een van de triodes in de fasedraaier loshalen van de 'ground' en gebruiken als tweede ingang van het gebalanceerde paar. Zelf doe ik dat niet omdat ik geen bron heb met gebalanceerde uitgang, maar vooor de liefhebber is er dus de mogelijkheid.




Klik op het schema voor een grotere weergave




Klik op het schema voor een grotere weergave




Aangezien de eindcontole van de tekeningen nog niet gebeurd is kunnen er nog fouten in voorkomen!!!


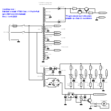
En dit is er dan voor de meer 'vermogende' wensen:
Eigenlijk dezelfde eindtrap maar dan met 4 KT88's per kanaal. Dit vergt op diverse plaatsen natuurlijk wel wat aanpassing. Denk maar aan het dubbele vermogen dat geleverd wordt aan de uitgang. Een dikkere uitgangstrafo met een lagere Raa is dus noodzakelijk, maar ook het dubbele aan vermogen wat uit de voeding moet komen. Dat laatste is het eenvoudigst te realiseren door per kanaal dezelfde 'standaard AE-europe' voedingstrafo te gebruiken. Wel moet de smoorspoel geschikt zijn voor de dubbele stroom, let hier goed op bij de aanschaf van deze spoel. Als je een te kleine smoorspoel gebruikt en de kern komt in verzadiging dan blijft er niets over van de zelfinducte en kan de wikkeling (te)heet worden. Dit kan leiden tot crematie van de spoel. Op deze droevige manier willen we tog geen afstand doen van wat eens een mooie smoorspoel was. Ook de elco's in de voeding zullen flink groter moeten worden om de rimpelspanning binnen aanvaardbare waarden te houden. Aangezien ik een current limmit in de voedig gebruik moet ook die aangepast worden aan de nieuwe situatie. De current limit is niet echt noodzakelijk maar als er onverhoopt in of rond de eindbuizen een keer sluiting zal optreden (of zelf gemaakt worden) dan zal de uitgangstrafo niet spontaan afscheid van ons nemen. Okee dat was dan een kleine toelichting op het wel en wee van de aangepaste voeding. En nu het schema . . .



Klik op het schema voor een grotere weergave


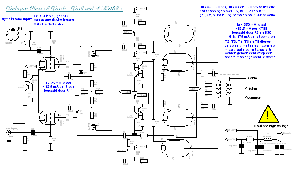
Deze voeding moet natuurlijk ook zijn energie kwijt kunnen. Dat gaat grotendeels lukken. Hij heeft wat spierballen over. Krap bemeten van een voeding is een slechte gewoonte die we regelmatig in commerciele ontwerpen tegenkomen. Zeker een klasse A versterker waarvan het opgenomen vermogen onder alle omstandigheden constant is zal ernstig lijden onder een krap bemeten voeding. Maar ook de voeding zal ernstig lijden onder een constant te hoge belasting en dit kenbaar maken met een verkorte levensduur. De eigenlijke versterker is nagenoeg gelijk aan zijn kleine broer met 2 KT88's per kanaal. De aanpassing zit hoofdzakelijk in de schakeling rond de KT88's. De uitgangs trafo moet geschikt zijn voor het dubbele vermogen en dubbele anodestroom bij dezelfde voedingsspanning. Dit heeft tot gevolg dat de kern forser is, het draad dikker is en ook de Raa de helft is van zijn kleinere broer. Kortom een heel andere trafo! Ook de stroombron die gebruikt is in de versie met 2 KT88's per kanaal is niet toereikend voor 4 KT88's, ook niet als de instelling wordt aangepast. Het gevolg van het simpel aanpassen van de instelling kan resulteren in een ongelijke verdeling van de stroom door de twee paralel staande KT88's. Het resultaat is een slechte balans en kan de levensduur van de eindbuizen drasties verkorten. Een slecht plan dus, de oplossing is simpel en bestaat uit het gebruik van een dubbele stroombron. In feite dus twee eindtrappen waarvan de sturing uit dezelfde fasedraaier komt en die een gemeenschappelijke anode belasting hebben. Wel de buizen individueel even goed instellen met de negatieve roosterspanning zoals ook beschreven is bij z'n kleine broer. De fasedraaier met de ECC99 is heel goed in staat om ook de 4 KT88's van sturing te voorzien. De benodigde spanning is gelijk, alleen de impedantie die aangestuurd moet worden is lager. Maar voor de toegepaste schakeling is het nog steeds een taak die hem gemakkelijk af gaat. Op de koppeling naar de KT88's na is hier verder niets aan veranderd. Nou ja niets . . . . dat is toch wel heel weinig. Er is wel iets wezenlijks veranderd. Er is namelijk een optie bij gekomen om de eindtrap symetrisch aan te sturen met behoud dit ook asymetrisch te kunnen doen. Het kost op een extra XLR chassisdeel en een schakelaar(tje) na eigenlijk niets meer. Je zal maar behoefte hebben om er gebruik van te maken, dan is dat mooi (goedkoop) meegenomen. Tenslotte een blik op de schakeling.



Klik op het schema voor een grotere weergave


Ik hoop dat dit de vermogens honger gestild heeft en wens iedereen veel bouw en luisterplezier.

De materialen
Na veel lezen en zoeken ben ik terrecht gekomen bij 'Automatic Electric Europa' in Schagen. Werkelijk een voortreffelijke transformator fabrikant die perfecte trafo's en dito service levert. Ik hun een paar bandkern transformatoren voor deze versterker laten wikkelen. Tevens hebben ze ook de buizen en voedings elco's geleverd samen met wat klein materiaal en de aluminium chassisplaat. Verder zijn veel weerstanden en de diodes van Conrad afkomstig, net als de bedradingsbordjes en de gaatjesprint. De bouten, moeren, ringen e.d. zijn geleverd door de plaatselijke metaalwaren handelaar. En om de zaak wat kleur naar wens te geven is de autoshop met een bezoek vereerd. Deze heeft mij een spuitbus filler, spuitbus kleurlak en een spuitbus blanke lak verkocht. En niet te vergeten MDF sokkel die perfect op maat gezaagd is door een zeer gewaardeerde kennis/collega. Overigens had hij die waardering al verdiend lang voor het zagen van de sokkel. Verder is bijna alle signaal voerende bedrading uitgevoerd in verzilverd draad met 'Tefal' (Teflon) isolatie en sommige in puur zilver. De resterende bedrading is uitgevoerd in standaard montage snoer of de uit Kimber speaker kabel ontlede aders. Voor het opwekken van het vaste negatief en een 12Volt hulpspanning voor de zwartwerkers en om de wind er onder te houden is een klein trafotje van 2 x 15 V 0,25A gebruikt.
>
De bouw
Bij het begin van de bouw zijn eerst alle materialen vergaard. Dat is handig omdat dan in de praktijk gekeken kan worden of alles past zoals gepland. Dus eerst droog zwemmen door alle onderdeleen ongeveer daar neer te zetten op de chassisplaat waar ze moeten komen. Hiaten in de opstelling worden dan snel duidelijk en kunnen nog herzien worden voordat verkeerde gaten in de plaat geboord worden. Uiteindelijk worden dan de gaten afgetekend en geboord. De gaten voor de buisvoeten en de voedingselco's heb ik geboord en met een trappenboor. Het werkje is behoorlijk tijdrovend maar leverd wel een prima resultaat op. Als alle gaten geboord zijn wordt de plaat ontvet met een beetje aceton en daarna ontdaan van alle bramen. Als laatste komt er een schuurblokje en een velletje schuurpapier 400 aan te pas om het oppervlak echt mooi vlak te maken en iets op te ruwen voor de hechting van de verf. Na het schuren goed schoonmaken en ontvetten. Daarna een heel dunne laag filler, eigenlijk alleen om een hechtlaag te vormen voor de volgende verflagen. De eerste dunne laag ongeveer 20 minuten laten drogen en daarna dekkende laag filler op de plaat spuiten. Zorg er wel voor dat de plaat goed horizontaal ligt zodat er weinig kans is dat 'zakkers' ontstaan. Deze laag tenminste een uur laten drogen! Hij moet echt goed droog en uitgehard zijn voordat de kleurlaag gespoten kan worden. De kleurlaag in meerdere dunne lagen spuiten en tussendoor wel de minimale droogtijd toepassen. Haast is hier de ondergang van het gedane werk omdat de kans groot is dat je dan weer van voor af aan kan beginnen nadat je de plaat weer helemaal verfvrij hebt gemaakt. Ik weet uit ervaring dat dit een aanslag op het goede humeur is. Rest nog een paar lagen blanke lak voor de glans en de duurzaamheid. Hiervoor geld natuurlijk het zelfde als voor de kleurlagen. Haast is een slechte compagnon. Zo dat zit er dan op. We hebben nu een chassisplaat die er fantasties uitziet. Laat hem desnoods een paar dagen uitharden om hem daarna even in de autowas te zetten, dan wordt hij wat minder snel vuil. Het geeft wel een mooi glanzend resultaat, maar ik kan vaak het geduld niet opbrengen. Zelf behandel ik ook de trafokappen op soortgelijke manier. Alleen begin ik dan met ontvetten en daarna de kleurlak in een paar lagen en als laatste twee lagen blanke lak. Dan is alles mooi in kleur. Als we zo ver zijn dan kunnen de klembeugels voor de elco's en de buisvoeten gemonteerd worden. Nog niet verschrikkelijk vast draaien want dat is het handigste als alles ook is uitgericht. Hierbij zetten we alle buizen exact in de gelijke richting wat gewoon mooier uitziet als een paar graden verdraaid ten opzichte van elkaar. Eclo's in de beugels monteren en daarna alles vastdraaien. Nu kunnen we alles vast voor de show op de sokkel zetten en de buizen er even in om alvast te kunnen zien wat het gaat worden. Nu weer terug naar de werklijkheid, er moet nog immers veel gebeuren. Eerst de voedingstrafo er op monteren. Ik heb eerst met wat moeite in de montage gaten waar de bouten door moeten rubber tules gestopt zodat de trafo in rubbers is 'opgehangen'. Dit loont de moeite omdat eventuele trillingen dan toch wat worden gedempt voordat deze de kans hebben om de hele versterker mee te laten trillen. Deze actie zorgt er voor dat het geheel mechanisch nauwlijks geluid maakt. Een konstante brom uit de versterker kast is niet echt fijn om naar te luisteren! De bouten en moeren waarmee de trafo gemonteerd word dus niet al te strak aandraaien, maar net zo strak dat er geen speling meer is als de zaak in de normale stand staat. Daarna heb ik de smoorspoelen gemonteerd en de printjes met 'zwartwerkers'. Hierbij is het van groot belang om de isolatie plaatjes (siliconen) niet te vergeten en te kontroleren of er echt geen sluiting is. Lichten we hier de hand mee, dan tracteren we ons op een heftig probleem als de spanning er op gaat. Nu kan aangevangen worden met de eerste bedrading. Ik doe het liefst eerst de gloeidraad circuits. Hiervoor heb ik aders uit Kimber luidspreker kabel gebruikt, deze is redelijk stug en laat zich dus makelijk in de gewenste banen leggen. En blijft daar dan ook. Daarna de bedrading van de voeding, daar waag ik geen Kimber kabel aan in verband met de isolatie eigenschappen. Het zal misschien wel goed gaan maar ik durf het niet aan, stel je voor dat na enige tijd spontaan ergens doorslag optreed. Met wat pech heb je dan een 'leuk' klusje op te knappen. Voor mij dus verzilverde kabel met teflon isolatie. Ook geleverd door de AE-Europa uit Schagen. Daarna de losse componenten er in solderen en we zien dan de Finish in zicht komen. Zoals op de foto's te zien is heb ik alle draaddoorvoeren van het chassis voorzien van een rubbertule, ook om eventueel kortsluiting te voorkomen als om een of andere reden de isolatie na vele malen sjouwen met de versterker de isolatie van de bedrading zou beschadigen. Dit is niet waarscheinlijk maar voor een paar cent heb je wel zekerheid. En dat staat mij wel aan. Als alles gemonteerd is en gecontroleerd en nogmaals gecontroleerd en goed bevonden en ook het vaste negatief is ingesteld zonder de eindbuizen in de schakeling breekt het spannendste moment aan. De spanning is er nu weer af en de condenstoren in de voeding hebben de tijd gekregen te ontladen. De eindbuizen kunnen nu definitief een plaatsje in hun voeten krijgen. Met een voltmeter bij de hand gaat de spanning er weer op en als de buizen opgloeien meten we achtereenvolgend alle spanningen over de 10 ohm cathode weerstanden van de eindbuizen. Per eindtrap regelen we het vaste negatief per buis zo af dat de spanningen over deze weerstanden gelijk zijn. Dit doen we bij beide eindtrappen. Vervolgens laten we alles een half uur stabiliseren en herhalen de afregel procedure nogmaals. Kleine correcties kunnen nu wel nodig zijn. In feite is alles nu in orde.

En nu maar genieten van een mooi stuk muziek. Aan de versterker zal het niet meer liggen! Wat kan een mens zich nog meer wensen?
En . . . een lust voor oor en oog

Terug naar AF